High-performance slewing drive worm gear designed for satellite antenna and satellite PV CPV solar tracking systems.
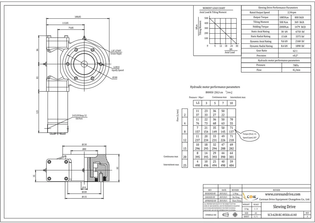
| Model | SC3 | Load Weight | 50-200kg |
| IP Class | IP65 | Output Torque | 1085N.m |
| Tilting Moment Torque | 500N.m | Holding Torque | 2000N.m |
| Precision | ≤0.1° | Rated current | ≤6A |
| Gear Ratio | 62:1 | Efficiency | 40% |
High Tilting Moment Torque: Moment to guide a self-propelled mechanical overturning. It manages working loads or partial loads outside the tilting line effectively.
High Holding Torque: Limited primarily by the maximum current the motor can withstand. It is the sum of magnetic force exerted by coils plus detent torque.
High Output Torque: Achieved by multiplying the motor torque by the gear ratio (62:1), providing superior mechanical advantage.
High Protection Grade: IP65 performance ensuring waterproof and dustproof capabilities for outdoor environmental conditions.


Quality Assurance: Metallographic analysis is processed to ensure the quality of parts including the worm shaft, slewing gear, and slewing bearing, followed by 100% finished product inspection.



Certification: The slewing drive worm gear compatible with 24VDC and 12VDC motors is fully CE certificated.